Năm 2025, Sóc Trăng đặt mục tiêu thả nuôi 51.000 ha tôm nước lợ, trong đó TCT chiếm phần lớn với khoảng 38.300 ha, hướng tới sản lượng 198.500 tấn (tổng sản lượng tôm nước lợ 223.000 tấn). Tỉnh đã xây dựng khung lịch thời vụ thả giống từ tháng 01 đến tháng 10/2025, cho phép rải vụ quanh năm ở các vùng nuôi công nghệ cao, ổn định, đồng thời khuyến khích các mô hình nuôi tiên tiến (nuôi ao bạt bờ lưới đáy, ao nổi) để nâng cao hiệu quả và ứng phó với biến đổi khí hậu. Diện tích nuôi thủy sản ước đến hết quý IV/2025 đạt 97.078 ha/96.500 ha, đạt 100,6% kế hoạch, tăng 488 ha so năm 2024. Trong đó, tôm nước lợ 52.490 ha (tôm TCT 39.390 ha, tôm sú 12.700 ha).
Năm 2025, thông qua nguồn vốn của Trung tâm Khuyến nông quốc gia, Trung tâm Giống Nông nghiệp và Khuyến nông tỉnh Sóc Trăng phối hợp với Trung tâm Khuyến nông tỉnh Vĩnh Long triển khai thực hiện dự án Khuyến nông Trung ương “Xây dựng mô hình chuỗi liên kết sản xuất tôm thẻ chân trắng đảm bảo chất lượng xuất khẩu góp phần phát triển thương hiệu tôm Việt”.
Mục tiêu của dự án là phát triển bền vững vùng nguyên liệu tôm, nâng cao chất lượng chuỗi giá trị tôm xuất khẩu, góp phần phát triển thương hiệu tôm Việt và quản lý, kiểm soát sử dụng kháng sinh đảm bảo sản phẩm không bị nhiễm dư lượng kháng sinh vượt mức cho phép theo quy định của Việt Nam và thị trường xuất khẩu. Cùng với việc xây dựng mô hình sản xuất, dự án còn kết nối doanh nghiệp chế biến để tiêu thụ 100% sản phẩm, hướng tới hình thành chuỗi liên kết bền vững từ sản phẩm xuất đến thu mua - chế biến - thị trường.
Mô hình được triển khai tại hộ ông Châu Văn Phui, ấp Nhà Thờ, huyện Trần Đề, thành phố Cần Thơ quy mô 01 ha với các chỉ tiêu đầu ra năng suất ≥ 20 tấn/ha; cỡ thu ≤ 40 con/kg; tỉ lệ sống ≥ 80%; hệ số chuyển đổi thức ăn FCR ≤ 1,25; 100% sản phẩm tôm thẻ chân trắng của dự án đảm bảo chất lượng an toàn thực phẩm, không chứa dư lượng kháng sinh; tạo chuỗi liên kết từ sản xuất đến chế biến và tiêu thụ; 100% sản phẩm của dự án gắn với hoạt động của tổ khuyến nông cộng đồng; tổ chức các hoạt động tập huấn, nâng cao năng lực cho nông dân, cán bộ KN cơ sở/thành viên tổ KN cộng đồng; tổ chức tham quan, tổng kết, thông tin tuyên truyền và nhân rộng mô hình. Đặc biệt là tăng tối thiểu 15% hiệu quả kinh tế so với trước khi thực hiện mô hình.
    |
 |
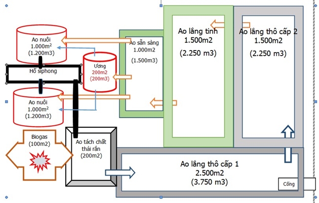
| Mô hình thiết kế hệ thống ao nuôi tôm thẻ chân trắng an toàn sinh học (quy mô 01 hecta) |
Mô hình áp dụng các biện pháp kiểm soát chặt chẽ từ đầu vào (nước, giống, thức ăn) đến quy trình sản xuất (sử dụng chế phẩm sinh học, men vi sinh thay kháng sinh, quản lý môi trường ao nuôi, xử lý chất thải bằng chế phẩm sinh học) và đầu ra (sản phẩm sạch).
Trước khi thả nuôi, anh Phui và bà con nuôi tôm lân cận đã được các cán bộ kỹ thuật Trung tâm Giống Nông nghiệp và Khuyến nông tỉnh Sóc Trăng tập huấn đầu vụ về kỹ thuật nuôi tôm TCT đảm bảo theo hướng an toàn sinh học. Đồng thời trong khuôn khổ dự án, nông dân xã Trần Đề và các hộ nuôi lân cận được tham dự lớp tập huấn ngoài mô hình tại tỉnh Vĩnh Long do Trung tâm Khuyến nông tỉnh Vĩnh Long tổ chức.
    |
 |
| Lớp tập huấn nhân rộng mô hình tại Vĩnh Long |
Vừa qua, hộ nuôi đã tiến hành thả giống. Trong quá trình triển khai, cán bộ khuyến nông sẽ đồng hành hướng dẫn kỹ thuật, theo dõi quy trình sản xuất để mô hình đạt được kết quả cao nhất.
    |
 |
| Ao nuôi tôm thẻ chân trắng |
Việc triển khai mô hình tại xã Trần Đề là hướng đi không chỉ phù hợp với điều kiện sinh thái của địa phương mà còn đáp ứng đúng nhu cầu tái cơ cấu ngành tôm theo hướng nâng cao giá trị gia tăng và phát triển bền vững. Đồng thời, thông qua dự án, hộ nuôi nắm rõ kỹ thuật nuôi, nâng cao năng lực sản xuất, từng bước thích ứng với các tiêu chuẩn quốc tế về an toàn thực phẩm và truy xuất nguồn gốc. Sự tham gia của doanh nghiệp chế biến trong chuỗi liên kết không chỉ đảm bảo đầu ra ổn định, mà còn tạo động lực để người nuôi thay đổi tư duy sản xuất, chuyển đổi từ nuôi tự phát sang nuôi theo quy trình chuẩn, có liên kết thị trường và có trách nhiệm với môi trường.
Trong giai đoạn tới, Trung tâm Giống Nông nghiệp và Khuyến nông tỉnh Sóc Trăng xác định tiếp tục nhân rộng mô hình, phát triển khu vực nuôi tập trung, tăng cường chuyển giao công nghệ tiên tiến, đồng thời kết nối chặt chẽ hơn với doanh nghiệp để hình thành chuỗi sản phẩm sản xuất - thu mua - chế biến - tiêu thụ, chung sức lực cùng tỉnh nhà phát triển hiệu quả Đề án Phát triển nuôi tôm nước lợ tỉnh Sóc Trăng giai đoạn 2023 - 2030, tầm nhìn đến năm 2030.
Trung tâm Giống Nông nghiệp và Khuyến nông tỉnh Sóc Trăng